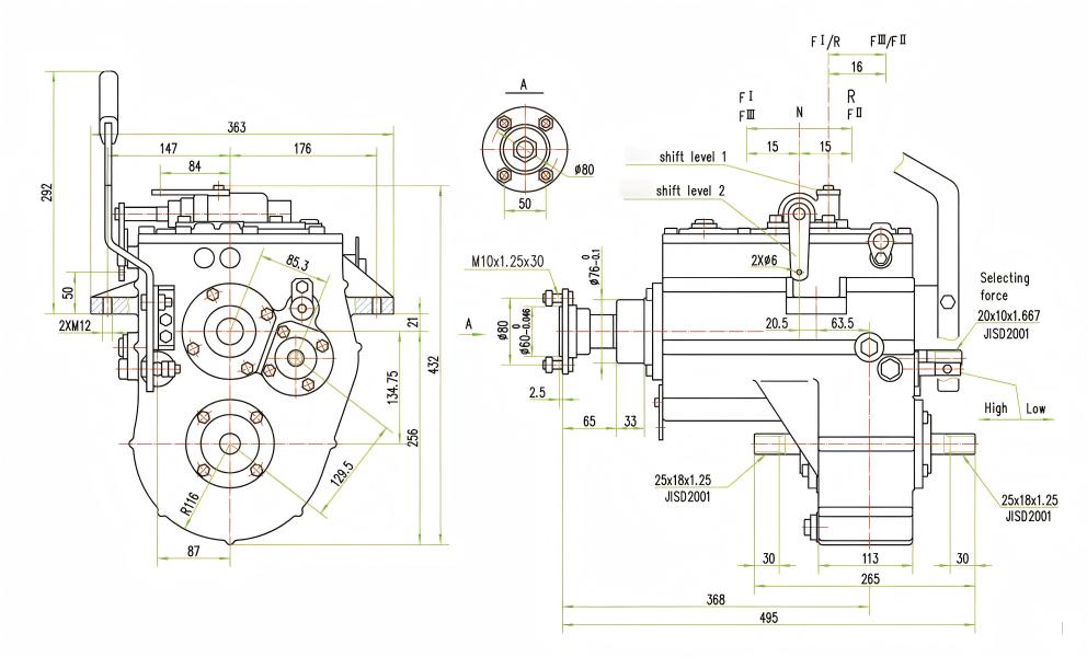
Caja de cambios de la máquina de pulverización
1. El sistema de transmisión reductora de seis marchas hacia adelante y dos hacia atrás satisface las demandas de diversas condiciones de trabajo.
2. La estructura optimizada del conjunto de cambios garantiza un control suave y flexible.
3. El diseño compacto y racional ofrece un funcionamiento con bajo nivel de ruido y alta confiabilidad.
4. Adecuado para pulverizadores de brazo autopropulsados de 14,5 a 25 hp.
Introducción:
La caja de cambios es compatible con pulverizadores de barra autopropulsados de 14,5 a 25 caballos de fuerza, ofreciendo múltiples opciones de marcha para adaptarse a diversas condiciones de trabajo. El mecanismo de cambio de marchas optimizado garantiza cambios de marcha suaves y precisos. Con un diseño ligero, la estructura general es compacta y bien estructurada. Con componentes de alta calidad, funciona con bajo nivel de ruido y ofrece una gran fiabilidad.
Principales parámetros técnicos:
Potencia máxima de entrada |
25 CV |
|||
Velocidad máxima de entrada |
2800r/min |
|||
Solicitud de aceite |
GL-5:85W/90 Aceite para engranajes (por encima de -12°) |
|||
Rotación de velocidad en cada engranaje. |
FI. |
FII. |
FⅢ |
R. |
Alta relación de transmisión |
7.03 |
3.02 |
1.5 |
6.47 |
Baja relación de transmisión |
20.9 |
8.99 |
4.46 |
19.26 |
modo de cambio |
cambio mecanico |
|||
Seleccionar la relación de fuerza |
2.59 |
|||




